EL10A TUTORIAL #2 PART 2   Saturday, 8 February 2003

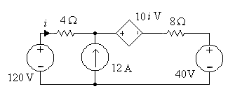
6. Use your favorite method to find i

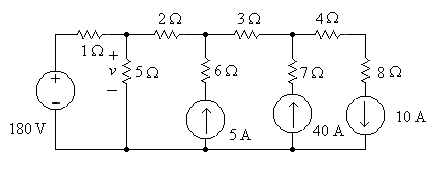
7. Use your favorite method to find v

8. Use Superposition to find i

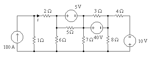
9. Use Superposition to find i

10. Use Superposition to find v



PAGE ONE of your tutorial