1. A network is arranged as shown. Calculate the value of i by (a) Kirchoff's Laws (b) Superposition (c) Thevenin's Theorem (d) Norton's Theorem

2. Calculate the equivalent resistance between (a) A and B (b) A and N

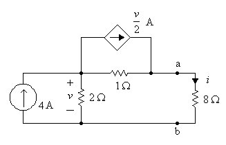
3. Using Thevenin's Theorem, replace the network to the left of terminals a-b by its equivalent and find i for the simplified circuit

4. Find i by replacing the network to the left of terminals a-b with it's Norton equivalent circuit

5. Find v by replacing the network to the left of terminals a-b with it's Thevenin equivalent circuit

PAGE TWO of your tutorial