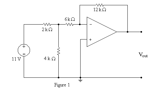
EL10A TUTORIAL #4   Saturday, 29 March 2003

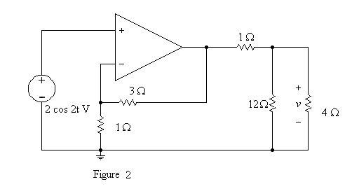
1. Find Vout

2. Find v

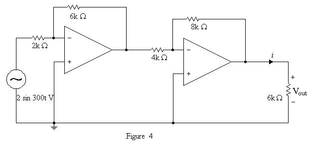
3. Find i

4. Find Vout and i