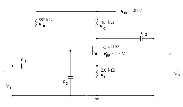
The circuit below shows a common base BJT amplifier, analyze the amplifier for Medium frequencies using the re model (simplified Ebers-Moll neglecting the insignificant effect of ro)
(a) find the input and output impedance
(b) find the voltage and current gain
(c) find the DC voltages at the base, collector and emitter
